靖宇县发展和改革局
关于白山经济开发区人才教育产业园基础设施建设
项目可行性研究报告(代项目建议书)的批复
靖发改审批字〔2021〕161号
白山生态教育集团有限公司:
你单位报来《关于白山经济开发区人才教育产业园基础设施建设项目可行性研究报告的请示》(白山生态教育发〔2021〕3号)及有关材料收悉。经我局研究,依据京延工程咨询有限公司《关于白山经济开发区人才教育产业园基础设施建设项目可行性研究报告的评估报告》(京咨审字〔2021〕JYDJ第8093号)提出的意见,经研究,原则同意白山经济开发区人才教育产业园基础设施建设项目可行性研究报告文本内容,现批复如下:
一、项目名称及在线审批监管平台代码
白山经济开发区人才教育产业园基础设施建设项目(项目代码:2111-220622-04-01-188931)。
二、项目法人单位
白山生态教育集团有限公司
三、建设地点
白山经济开发区新区
四、建设规模及主要建设内容
项目总占地面积为123045㎡,总建筑面积为123632.63㎡。拟新建1#文体活动中心1栋,建筑面积为6111.64㎡;2#标准化教训楼1,建筑面积6549.44㎡;3#标准化教训楼2,建筑面积6549.44㎡;4#产业园区服务中心,建筑面积6345㎡;5#学术交流厅1,建筑面积636㎡;6#学术交流厅2,建筑面积636㎡;7#图书信息化中心,建筑面积7022.4㎡;8#餐饮服务中心,建筑面积9228㎡;9#标准化实训工厂1,建筑面积17072㎡;10#标准化实训工厂2,建筑面积6549.44㎡;11#标准化实训工厂3,建筑面积6549.44㎡;12#标准人才公寓1,建筑面积8256㎡;13#标准人才公寓2,建筑面积16530㎡;14#标准人才公寓3,建筑面积16530㎡;15#看台,建筑面积1965㎡;连廊1面积3456㎡;连廊2面积1865.83㎡;门卫1建筑面积12㎡;门卫2建筑面积12㎡;门卫3建筑面积6㎡;门卫4建筑面积6㎡;人防地下室1745㎡。同时新购置设备42台(套)。
五、建设期限
本项目建设期拟定为2年(28个月),即2021年9月至2023年12月。
六、总投资及资金来源
项目总投资85305.75万元,资金来源申请地方政府专项债券及建设单位自筹解决。
七、相关要求
(一)白山生态教育集团有限公司要严格落实项目实施主体责任,按照《吉林省政府投资管理办法》(吉政发〔2020〕5号)规定,请据此编制项目初步设计报我局审批,要认真履行政府投资项目管理程序,确保项目依法依规开工建设。
(二)白山生态教育集团有限公司要加强项目管理,落实“四制”相关要求,严格按照批复的建设地点、建设规模和建设内容、技术标准等实施,严禁擅自夹带楼堂馆所等建设内容,按工程进度、合同约定等及时拨付建设资金,不得违规举债、不得增加政府隐性债务、不得由施工单位垫资建设,确保项目依法合规按期建成,并严格按照有关规定报有关部门验收合格后投入使用,不得擅自改变使用功能和用途。
(三)白山生态教育集团有限公司要通过投资在线审批监管平台如实报送项目开工、建设进度、竣工投用等基本信息,其中项目开工前应按季度报送项目进展情况;项目开工后至竣工投用止,应逐月报送进展情况。我局将采取在线监测、现场核查等方式对项目实施监管,依法处理有关违法违规行为,并按照有关规定向社会公开。
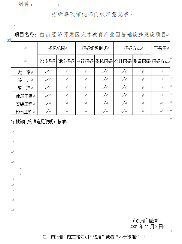
(四)该项目招标范围、组织形式、招标方式详见附件《招标事项审批部门核准意见表》,白山生态教育集团有限公司要严格按照《中华人民共和国招标投标法》等法律法规规定,规范开展招投标工作。
(五)按照有关法律法规规定,如需对本项目批复文件进行调整的,应及时以书面形式向我局提出调整申请,我局将根据项目具体情况,办理调整手续。本批复文件自印发之日起,2年内未据此开展初步设计审批的,本文件自动失效。
附件:招标事项审批部门核准意见表
靖宇县发展和改革局
二〇二一年十一月八日
